DZJ-418中間繼電器參數及開孔尺寸-上海上繼科技有限公司
發表時間:2019-08-16 14:33 瀏覽次數:913 〖返回〗
一、DZJ-418中間繼電器的介紹
用于繼電保護與自動控制系統中,以增加觸點的數量及容量。 它用于在控制電路中傳遞中間信號。中間繼電器的結構和原理與交流接觸器基本相同,與接觸器的主要區別在于:接觸器的主觸頭可以通過大電流,而中間繼電器的觸頭只能通過小電流。所以,它只能用于控制電路中。 它一般是沒有主觸點的,因為過載能力比較小。所以它用的全部都是輔助觸頭,數量比較多。新國標對中間繼電器的定義是K,老國標是KA。一般是直流電源供電。少數使用交流供電。
二、DZJ-418中間繼電器的參數
⒈動作電壓:不大于70%額定值。
⒉返回電壓:不小于5%額定值。
⒊動作時間:不大于0.02S(額定值下)。
⒋返回時間:不大于0.02S(額定值下)。
⒌電氣壽命:繼電器在正常負荷下,電壽命不低于1萬次。
⒍功率消耗:直流回路不大于4W,交流回路不大于5VA。
⒎觸點容量:在電壓不超過250V、電流不超過1A的直流有感負荷(時間常數τ=5±0.75ms)中,斷開容量為50W;在電壓不超過250V、電流不超過3A的交流回路中為250VA(功率因數CosΦ=0.4±0.1),允許長期接通5A電流。
⒏絕緣電阻:
下列部位用開路電壓500V兆歐表測量其絕緣電阻應≥300MΩ(常溫下)。
①導電端子與外露非帶電金屬或外殼之間;②動、靜觸點之間;③常開觸點與常閉觸點之間;④觸點與電壓回路之間。
⒐介質強度:
對下部位應能承受規定的交流電壓試驗1分鐘而無絕緣擊穿或閃絡現象。
①所有導電端子與外露非帶電金屬或外殼之間2000V/50Hz;
②動、靜觸點之間1000V/50Hz;
③常開觸點(繼電器上的NO)與常閉觸點(繼電器上的NC)之間1000V/50Hz;
④觸點與電壓回路之間1000V/50Hz。
⒑抗干擾性能:繼電器的抗干擾應符合 DL478-92《靜態繼電保護及自動裝置通用技術條件》中的有關規定。
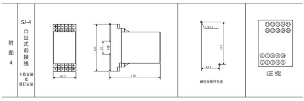
三、DZJ-418中間繼電器的接線圖

四、DZJ-418中間繼電器的開孔尺寸

五、DZJ-418中間繼電器的特點
⒈靜態中間繼電器采用線圈電壓較低的多個優質密封小型繼電器組合而成,防潮、防塵、不斷線,可靠性高,克服了電磁型中間繼電器導線過細易斷線的缺點。
⒉功耗小,溫升低,不需外附大功率電阻,可任意安裝及接線方便。
⒊繼電器觸點容量大,工作壽命長。
⒋繼電器動作后有發光管指示,便于現場觀察。
⒌延時只需用面板上的撥碼開關整定,延時精度高,延時范圍可在0.02-5.00S任意整定。
公司介紹:上海上繼科技有限公司是一家專業從事電力系統繼電保護及智能電網電力自動化產品的研發、設計、生產、銷售和服務為一體的高科技公司。擁有資深繼電保護專家團隊和國內**的檢測儀器及校驗設備。同時還引用國內外先進技術,來進行技術創新。本公司的產品廣泛用于電力、工礦、鐵路、建筑等國家重大工程輸配變電系統上,產品遠銷東南亞及中東地區。產品通過國家繼電保護及自動化設備質量監督檢驗中心檢測,獲得ISO-9001:2000國際質量體系認證。“科技創新,誠信務實”是公司的經營理念,本公司以高超的技術支持和對用戶高度負責的售后服務贏得了輸配電成套企業的信賴,且樹立了良好的信譽。
上海上繼科技有限公司(專注電力保護繼電器生產廠家)銷售熱線:021-57233089 QQ:1932551438
{以上內容僅供參考,上海上繼科技有限公司有最終解釋權}
更多繼電器精彩文章——DZ-700E/2610中間繼電器參數及開孔尺寸





