BCH-2差動繼電器的參數及開孔尺寸-上海上繼科技有限公司
發表時間:2019-06-21 15:09 瀏覽次數:1175 〖返回〗
一、BCH-2差動繼電器的用途
該差動繼電器,作為兩繞組及三繞組電力變壓器,以及交流發電機的單相差動保護。
繼電器可以預防由非故障狀態(穿越短路電流或變壓器空載合閘時)的不穩定的過渡電流而使保護非選擇性地動作。
二、BCH-2差動繼電器的結構概述
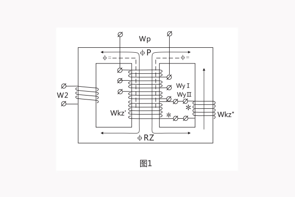
該繼電器由執行元件電磁式電流繼電器DL-11及中間快速飽和變流器組成。
繼電器具有短路繞組,它構成差動繼電器的一些主要技術性能,如直流偏磁特性,消除不平衡電流效應的自相變流器性能等。
快速飽和變流器的所有繞組都是制成帶有抽頭的,這樣就可以對繼電器的參數進行階梯性調整。
當用BCH-2型繼電器來保護電力變壓器時,平衡繞組的圈數根據這樣的條件來選擇,即當發生穿越短路時.所有繞組的匝數應相等。
當用繼電器保護兩繞組變壓器時,動作電流可以在更細致的范圍內進行調整,因為這時可以利用兩個平衡繞組。
變流器和執行元件放在一個外殼內,為了便于對執行元件進行單獨的校驗調整和試驗變流器特性時的須要,執行元件的線圈與變流器的二次繞組,平衡繞組與工作繞組是通過連接板相互連接的.因而可以在調整試驗時接通或斷開相應的電路。
不要改變繼電器能牌上的指針的位置(不要離開能牌刻度)或不動指針而去動彈簧固定螺絲。這樣做將惡化躲開磁化電流或不平衡電流非周期分量影響的能力或者當發生保護區內短路時減小繼電器的可靠系數。 變流器接線示意圖1 , 及其保護三繞組電力變壓器時繼電器對外接線圖如圖2。


三、BCH-2差動繼電器的參數
1.額定電流5A,額定頻率50Hz。
2 繼電器的起始動作安匝為60±4。
3.繼電器的直流助磁特性曲線(如圖3)E=f(K)應能進行分段調整;

K一直流分量與相應交流動作值的比值。
ε一具有直流分量時,繼電器的交流動作電流與沒有直流分量時的交流動作電流的比值。
圖3表示了當短繞組接入不同匝數時的E=f(K)曲線簇,當K=0.6時.對應各短路線圈抽頭, e值應符合下列規定:
短路繞組抽頭位置: t; A-A, 1.6±0.13 ; B-B, 3±0.24 ; C-C, 5±0.38 ; D-D, 7±0.56 ;
4.可靠系數應不小于1.35 ,可靠系數按照下述方法確定:設繼電器的動作電流為Id,相應執行元件DL-11型繼電器的動作電流為i, 然后轉動指針擰緊游絲,使差動繼電器的動作電流為5Id,再測得執行元件相應的動作電流i5 ,技下列計算得出可靠系數:

5.3倍動作電流時,差動繼電器的動作時間不大于0.035s;
6.當電壓不超過220V.電流不超過2A時,繼電器觸點斷開容量在直流有感負荷(時間常數為5x103s)電路中為50W。
7.在額定電流下,當繼電器的平衡繞組(1或]:[)和工作繞組的匝數全部接入時,繼電器的單相功率消耗應不大于16VA。
8.周圍介質溫度為+40°C時,繼電器的工作繞組與一個平衡繞組應能長期通過10A電流,其溫升不應超過65°C。
9.介質強度 繼電器各電路對外露非帯電金屬部分之間應耐受50Hz、2kV的交流電壓歷時1min而無擊穿或閃絡。
10.當各繞組的匝數全部接入,短路繞組接在A-A位置時,它們的阻抗值見表1。

11.繼電器的繞組數據見表2

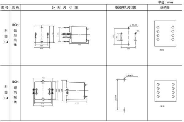
四、BCH-2差動繼電器的開孔尺寸

上海上繼科技有限公司(專注電力保護繼電器生產廠家)銷售熱線:021-57233089 QQ:1932551438
{以上內容僅供參考,上海上繼科技有限公司有最終解釋權}
更多繼電器精彩文章——DCD-2A差動繼電器的主要技術參數





