中間繼電器-上海上繼科技有限公司
發表時間:2019-07-31 09:15 瀏覽次數:929 〖返回〗
上海上繼科技有限公司是一家專業從事電力系統繼電保護及智能電網電力自動化產品的研發、設計、生產、銷售和服務為一體的高科技公司。擁有資深繼電保護專家團隊和國內**的檢測儀器及校驗設備。同時還引用國內外先進技術,來進行技術創新。本公司的產品廣泛用于電力、工礦、鐵路、建筑等國家重大工程輸配變電系統上,產品遠銷東南亞及中東地區。產品通過國家繼電保護及自動化設備質量監督檢驗中心檢測,獲得ISO-9001:2000國際質量體系認證?!翱萍紕撔?,誠信務實”是公司的經營理念,本公司以高超的技術支持和對用戶高度負責的售后服務贏得了輸配電成套企業的信賴,且樹立了良好的信譽。

JZJ-404靜態中間繼電器采用集成電路原理構成,具有良好的抗振動,適用于各種電力繼電保護和自動控制裝置中,以增加保護和控制回路的觸點容量和觸點數量。
一、JZJ-404中間繼電器的開孔尺寸

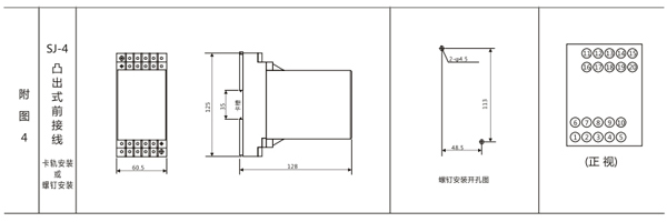
二、JZJ-404中間繼電器的接線圖

三、JZJ-404中間繼電器的參數
1 環境基準條件
環境溫度: 20°C±2°C
相對濕度:45%~74%
大氣壓力:80Kpa~106Kpa
2 正常使用條件
環境溫度:-25°C~+40°C
環境相對濕度:不大于90%
大氣壓力:80Kpa~110Kpa
存儲和運輸過程中的極限溫度: -25°C~75°C
使用地點的海拔高度:不高于2500米
使用環境的周圍介質無爆炸危險品;不含有腐蝕性氣體;所含導電塵埃的濃度不應使絕緣水平降低到允許值以下。
3 繼電器額定值 額定電壓值:48V, 110V, 220V, AC, DC, 380VAC。
4 觸點容量 在電壓不大于250V,功率因數cosΦ為1.0的交流電路中,可分斷10A。
直流:普通型:接通DC220V, 10A;斷開DC220V,τ=5mS, 50W負載。
B型:接通DC220V, 10A;斷開DC250V, τ=5mS, 500W大容量角空點,極限容量為1500W。
5 保持值 0.7 ~ 1.2倍額定電壓 JZ-系列快速中間繼電器動作時間和返回時間不大于15mS。
6 功耗 在額定電壓下不大于6W。
7 絕線電阻 用1000V揺表測量各引出端子對外殼鎖緊螺釘之間絕緣電阻不小于10MΩ。
8 絕緣電壓 各引出端子對外殼鎖緊螺釘能承受工頻2000V,同組觸點之間能承受工頻1000V,歷時一份鐘試驗,無擊穿。
9 電壽命 A型: DC250V回路,切斷電流,τ=5mS, 50W, 10?次以上;
B型: DC250V回路,切斷電流τ=5mS, 500W, 104次以上; 1500W, 103次。
10 機械壽命 觸點無負荷300萬次以上。

DZ-15中間繼電器具有兩付動合和兩付動斷觸點。
一、DZ-15中間繼電器的接線圖

二、DZ-15中間繼電器的參數
額定電壓:DC 12V、48V、110V、220V。
動作值:不大于70%額定電壓值。
返回值:不小于額定值的5%。
動作時間:在額定值下不大于45ms。
返回時間:當輸入激勵量由額定值降至零時 ,繼電器的返回時間不大于60ms.
功率消耗:不大于7W。
觸點容量:在電壓不超過250V,電流不超過5A ,時間常數為5±0.75ms的直流有感負荷電路中,產品輸出觸點的斷開容量為50W。輸出觸點在上述規定的負荷條件下.產品能可靠動作及返回5x104次。輸出觸點長期允許接通電流為5A。
介質強度:產品各導電端子連在一起 ,對外露的非帯電金屬部分或外殼之間 ,能承受2000V(有效值)50Hz的交流電壓歷時1分鐘試驗而無絕緣擊穿或閃絡現象。
三、DZ-15中間繼電器的開孔尺寸

上海上繼科技有限公司(專注電力保護繼電器生產廠家)銷售熱線:021-57233089 QQ:1932551438
{以上內容僅供參考,上海上繼科技有限公司有最終解釋權}
更多繼電器精彩文章——LL-12過流繼電器參數及開孔尺寸





