電壓繼電器與閃光繼電器區別和應用-上海上繼科技有限公司
發表時間:2019-07-25 16:27 瀏覽次數:920 〖返回〗
DX-1閃光繼電器用于信號回路。當工作線圈電源接通后,觸點可周期性的接通和斷開,使受控的燈光信號發出閃光。
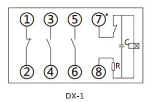
一、DX-1閃光繼電器的接線圖

二、DX-1閃光繼電器的開孔尺寸

三、DX-1閃光繼電器的參數
●額定值:DC 220V、110V、48V。
●觸點形式:2組動合、1組動斷。
●閃光頻率:每分鐘60±20次。
●動作值:不大于70%額定值。
●功率消耗:不大于3W。
●觸點容量:在電壓不超過250V,電流不超過5A,時間常數為5±0.75ms的直流有感負荷電路中,產品輸出觸點的斷開容量為 50W。輸出觸點在上述規定的負荷條件下,產品能可靠動作及返回5×104次。輸出觸點長期允許接通電流為5A。
●介質強度:產品各導電端子連在一起,對外露的非帶電金屬部分或外殼之間,能承受2000V(有效值)50Hz的交流電壓,歷時1分鐘 試驗,而無絕緣擊穿或閃絡現象。

JY-11A靜態電壓繼電器用于發電機、變壓器和輸電線的繼電保護裝置中,作為過電壓保護或低電壓閉鎖的啟動元件。本繼電器為集成電路靜態型繼電器, 精度高、功耗小、動作時間短、返回系數高、整定直觀方便、范圍寬,且作為低電壓繼電器使用 無抖動現象, 提供輔助電源后完全可以替代電磁型電壓繼電器,輔助電源采用開關電源變換,交直流通用,工作范圍大,從100-300V均能可靠工作。
一、JY-11A電壓繼電器的開孔尺寸

二、JY-11A電壓繼電器的接線圖

三、JY-11A電壓繼電器的參數
1、輔助電源:AC、DC、100~220V
2、過載能力:交流回路允許長期接通1.2倍額定值。
3、電壓整定范圍1~240V,40~440V,級差1V。
4、功率消耗:
a、交流回路功耗小于1VA(交流額定值100V時)
b、直流回路功耗:見下表
5、整定誤差
a、整定值在1V-440V范圍內,整定平均誤差的絕對值不大于3%,平均誤差=(5次測量平均值-整定值)/整定值×100%。
b、在基準條件下,同一整定值上測量的5次動作值的**值和最小值應不大于的4%。
c、在-10℃~50℃的溫度下,任一整定點誤差的絕對值應不大于整定值的4%。
d、在輔助電壓80~110%變化范圍內,任一整定值整定誤差的絕對值應不大于4%。
6、動作時間
a、過電壓繼電器:1.2倍整定值的動作時間不大于25ms;2倍整定值的動作時間不大于20ms;
b、低電壓繼電器:0.5倍整定值的動作時間不大于20m。
7、返回系數
a、過電壓繼電器返回系數為0.85~0.95;
b、低電壓繼電器返回系數為1.02~1.12;
8、返回時間:不大于27ms。
公司介紹:上海上繼科技有限公司是一家專業從事電力系統繼電保護及智能電網電力自動化產品的研發、設計、生產、銷售和服務為一體的高科技公司。擁有資深繼電保護專家團隊和國內**的檢測儀器及校驗設備。同時還引用國內外先進技術,來進行技術創新。本公司的產品廣泛用于電力、工礦、鐵路、建筑等國家重大工程輸配變電系統上,產品遠銷東南亞及中東地區。產品通過國家繼電保護及自動化設備質量監督檢驗中心檢測,獲得ISO-9001:2000國際質量體系認證。“科技創新,誠信務實”是公司的經營理念,本公司以高超的技術支持和對用戶高度負責的售后服務贏得了輸配電成套企業的信賴,且樹立了良好的信譽。
上海上繼科技有限公司(專注電力保護繼電器生產廠家)銷售熱線:021-57233089 QQ:1932551438
{以上內容僅供參考,上海上繼科技有限公司有最終解釋權}
更多繼電器精彩文章——JY-AS/4電壓繼電器參數及接線圖
- 上一篇:電壓繼電器與信號繼電器區別和應用
- 下一篇:電壓繼電器與沖擊繼電器區別和應用





