重合閘繼電器生產廠家-上海上繼科技有限公司
發表時間:2019-07-18 15:05 瀏覽次數:989 〖返回〗
上海上繼科技有限公司是一家專業從事電力系統繼電保護及智能電網電力自動化產品的研發、設計、生產、銷售和服務為一體的高科技公司。
公司依托國際大都市上海的優越環境,擁有資深繼電保護專家團隊,熟悉中國電網實際運行特點,聯合國內外**高校不斷引進國內外先進技術,積極響應市場的需求,技術不斷創新,堅持行業**地位,主要生產電力繼電器及微機綜合保護裝置,電力智能配電設備,變電站自動化監控系統。產品廣泛用于電力、工礦、鐵路、建筑等國家重大工程輸配變電系統上,產品遠銷東南亞及中東地區。
公司具備國內**的檢測儀器及校驗設備,建立了模擬運行老化系統,以精湛的技術嚴格的生產制造工藝,健全的生產管理體系,精耕細作,精益求精。產品通過國家繼電保護及自動化設備質量監督檢驗中心檢測,獲得ISO-9001:2000國際質量體系認證。
“科技創新,誠信務實”是公司的經營理念,上繼科技以售前技術支持,售后完善服務,在電力系統中樹立了良好的聲譽,深受各大設計院的認可,贏得輸配電成套企業的信賴。上繼科技本著對社會,對用戶高度的責任感,堅持走專業化道路,繼續創新超越,為我國智能電網電力自動化做出更大的貢獻!

DH-2A重合閘繼電器用于輸電線路上實現三相一次重合閘接線中,作為重合閘元件。
一、DH-2A重合閘繼電器的接線圖

二、DH-2A重合閘繼電器的參數

三、DH-2A重合閘繼電器的開孔尺寸


DCH-1重合閘裝置用于輸電線路上實現三相一次重合閘的接線中,作為它的主要組成部分。
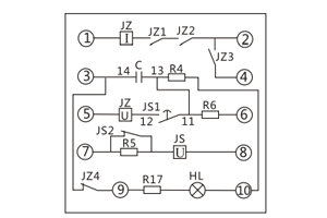
一、DCH-1重合閘裝置的結構
裝置由一臺時間繼電器( DS-32C型作為時間元件)、一臺中間繼電器(作為中間元件)及一些電阻、電容元件組成,它們被固定在絕緣的安裝板上,安裝板又被固定在金屬的底座上。裝置具有金屬的外殼,它通過螺桿被緊固在底座上。裝置具有透明塑料蓋子。從外面可以觀察裝置動作情況。
裝置動作情況,裝置內部接線圖見圖1

二、DCH-1重合閘裝置的原理
用于單端供電的一次重合閘裝置(見圖2 ) 。
圖中觸點的位置相當于輸電線路的正常工作情況;斷路在合閘位置,重合閘裝置中的電容器C經過技組觸點EF和電阻4R已經充滿電, 整個裝置準備著動作。裝置的動作原理分以下幾個方面加以說明:

斷路器由保護動作或其它原因(觸點J閉合)而跳間
此時斷路器輔助觸點UI返回,中間繼電器9ZJ啟動(利用10R限制電流,以防止斷路器合閘線圈0H同時啟動)其觸點閉合后,啟動重合閘裝置的時間元件SJ,經過延時后觸點SJ1閉合,電容器C通過SJ,對ZJ(v)放電。ZJ(v)啟動后接通了斷路器合閘回路(由+→EF→②→ZJ1→XJ(o→①→ XJ→3H→11ZJ2→0H→UI→- )0H通電后,實現一次重合閘 ,與此同時,信號繼電器XJ發出信號,由于ZJ(I)的作用, 使觸點ZJ1ZJ2能自保持到斷路器完成合間,其觸點斷開為止。如果線路上發生的是暫時性故障 ,則合閘成功后,電容器自選充電,裝置重新處于準備動作的狀態。
如果線路上存在有永久性故障
此時重合閘不成功斷路器第二次跳閘,9ZJ與SJ仍同前而啟動,但是由于這一段時間是遠遠小于電容器充電到使ZJ(v)啟動所必需的時間( 15~25s)因而保證了裝置只動作一次。
重合閘裝置中間元件的觸點ZJ,發生卡住或者熔接
為了防止在這種情況下斷路器多次合閘到永久性故障的線路上去,用中間斷電器11ZJ,因為斷路器合閘于永久性故障時,觸點J再次閉合跳閘回路(由+→J→11ZJ(I)→UⅡ→0F→- ) 11ZJ(I)啟動,如果ZJ1已熔接或卡住,則中間繼電器通過11ZJ(V)自保持,并通過11ZJ3 發出信號.其動斷觸點11ZJ2斷開了合閘線圈回路.從而防止了斷路器多次合閘。
手動跳間
當按下F,斷路器跳閘后.由于EF已斷開,切斷了裝置的啟動回路,避免了斷路器發生合閘。
手動合閘
(在投入前應先將裝置中電容器C放電完畢)當按下H,按通電容器C的充電回路(由+→EF→⑧→4R→C→③→- )此時如果在輸電線路上存在有永久性故障,則斷路器很快又被切除,因為電容器來不及充電到使ZJ(V)啟動所必需的電壓,從而避免了斷路器發生合閘。
用于雙端供電的一次重合閘裝置( 見圖3)
圖3與圖2不同之處,僅僅是在重合合閘裝置的啟動回路中嗇了由低電壓繼電器的觸點YJ1及YJ2同步檢査繼電器的觸點TJ以及連接片9H所共同組成的換接線路以執行檢査線路無電壓或者檢査線路同步的任務。氖氣燈ND,是用于指示雙端供電的輸電線路重合閘的實現。常常是在輸電線路一側采用檢査線路無電壓的接線方式,而另一側采用檢査線路同步的方式,并且應保證裝有檢査線路無電壓這一側之重合閘先動作(見圖4) ,下面將分別加以敘述。
9H處于檢査線路無電的位置(見圖3、4 略)
YJ為低電壓繼電器,觸點YJ1與YJ2的位置與繼電器線圈無電壓時相對應。
因此YJ2只可能在對端斷路器確定跳圖后(即線路無電壓存在) ,才允許重合閘裝置啟動,此外當線路上存在著由殘余電荷所造成較大靜電電壓時也不允許裝置啟動 。
9H處于檢査線路同步的位置(看圖3)
此時由于對端已經合閘,故線路上出現電壓,YJ1應閉合。如果母線的電壓大小,相位與線路電壓的大小,相位之差別在允許合閘的范圍內(即認為同步) ,則同步檢査繼電器的觸點TIJ處于閉合位置(如圖3略所示) ,此時重合閘裝置能夠啟動,反之如果兩者相差較大(出現非同步時)則TJ啟動,其觸點打開,重合閘裝置就不能啟動。
三、DCH-1重合閘裝置的開孔尺寸

上海上繼科技有限公司(專注電力保護繼電器生產廠家)銷售熱線:021-57233089 QQ:1932551438
{以上內容僅供參考,上海上繼科技有限公司有最終解釋權}
更多繼電器精彩文章——DY-28CE電壓繼電器安裝尺寸及參數
- 上一篇:開關柜智能操控裝置生產廠家介紹
- 下一篇:開關柜智能操控裝置生產廠家簡介





